- Polycarbonate Housing
- Short-circuit-proof battery connection
- Ambient Temperature: 0℃-55℃
- Open-circuit-proof
- Automatic shutdown of output if LED load is out of range
- Constant power output, output current self-adjustable
- Compatible with all dimmable and non-dimmable constant current LED driver
- Suitable for Batten lights/Waterproof lights/Panel lights.
-Plug-in M3 emergency conversion pack with Lithium Iron Phosphate (LiFePO4) battery.
This is range of LED Emergency Modules.Each variant has controlled current SELV compliant outputs,built-in adaptability that allows for optimum output current based on the forward voltage of the specific light engine for a more precise match to the controlled LED scheme. 3 hrs Emergency Duration.
-Self testing Version is available
Technical datas:
| Model | YGEP4B | YGEP4B-MCU |
| Input Voltage | 220-240V AC | 220-240V AC |
| Output Voltage | 24-50Vdc(35-100mA) | 24-50Vdc(35-100mA) |
| Power Consumption (W): | 2W | 2W |
| Battery | LifePO4 6.4V*1.5Ah | LifePO4 6.4V*1.5Ah |
| Protection Class | Class II | Class II |
| CRI L100: | >70 | >70 |
| IP rating: | IP40 | IP40 |
| Dimension (mm): | 330*61*30 | 330*61*30 |
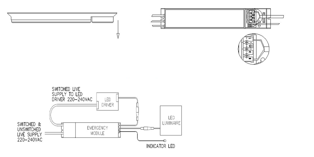
Size:

Installation:
